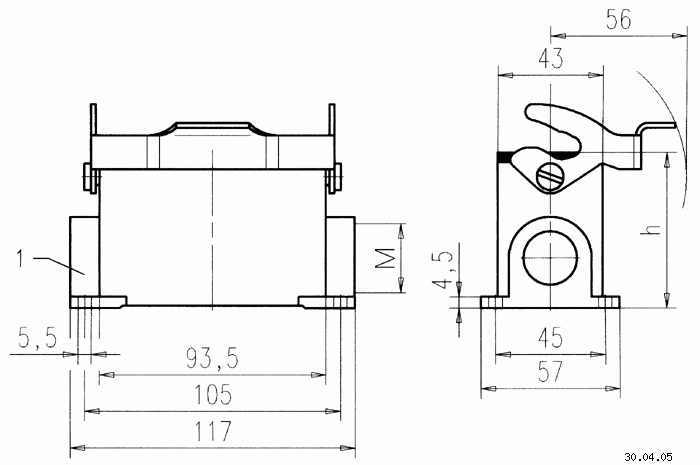
C146 ハウジング C146 10N016 502 1
heavy|mate® - C146 ハウジング、 シングルサイドエントリー、 スタッド付き、 h = 64 | ||
| 品番 | C146 10N016 502 1 | |
| シリーズ名 | 産業用角型コネクタ heavy|mate® - C 146 | |
| サブシリーズ名 | 産業用角型コネクタ heavy|mate® - C146 ハウジング | |
| 一般特性 | ||
| ケーブルエントリー | 1 ケーブルエントリー | |
| IP保護等級 | IP 65 | |
| ねじ | M 25 | |
| バージョン | 低背型 | |
| ハウジングタイプ | ハウジング | |
| インサートタイプ | ハウジング | |
| 保護カバー | PA | |
| 電気特性 | ||
| 接触抵抗 | DIN EN 60512-2-1, Test 2a / IEC 60512-2-1, Test 2a | 0 mΩ |
| 耐候性 | ||
| 使用温度範囲 | - 40 °C / + 100 °C | |
| 最高気温 | + 100 °C / 1000 h | |
| 最低気温 | - 40 °C / 16 h | |
| 機械的特性 | ||
| 耐久性 (標準) | IEC 60512-5; Test 9 a | |
| 材料 | ||
| ガスケット | NBR | |
| ロック | 1 ロックレバー用 | |
| 絶縁材料 | 特殊表面仕上げ | |

