PT/LC 防水光コネクタシステム

標準のLC形光コネクタケーブルをレセプタクルにワンタッチでビルトインできます。
ボックス側に標準のLCパッチケーブルを使いますので、組立設計や調達が容易になります。嵌合方式は、信頼のMIL規格と同じバヨネットロック。雨や埃は勿論、衝撃や振動から光配線を守ります。
弊社で光ファイバケーブルアセンブリを承っています。
特長
- 屋外仕様のIP67 防水
- レセプタクルは標準のLC パッチケーブルを使用可
- 塩水噴霧720時間に対応
- MIL-DTL-26482方式の確実な3点バヨネット嵌合
- 444N 以上のケーブル引張り力
- 優れた耐衝撃性、振動性
- シングルモード、マルチモード対応可
- ブラインド嵌合可
アプリケーション
- WiMAX 基地局
- 屋外監視カメラ装置
- 医療機器
- 工場内光配線
性能
| 挿入損失 | マルチモード | 0.35dB 代表値 <0.5dB Max. |
|---|---|---|
| シングルモード | 0.14dB 代表値 <0.3dB Max. |
|
| 反射減衰量 | マルチモード | -25dB |
| シングルモード | -55dB | |
| 動作温度 | -40℃~ +85℃ | |
| 耐久性 | 50回以上の嵌合離脱 | |
注文方法
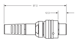
PT06LC-XXXX-XX
プラグはケーブルアセンブリでのご提供となります。
詳細仕様については弊社までお問合せください。
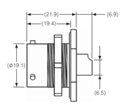
PT07LC-A
LC パッチケーブルは別売です。
別途お問合せください。
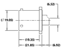
PT02LC-A
LC パッチケーブルは別売です。
別途お問合せください。
MU 形光コネクタの組込みをご希望の方は、別途弊社までお問合せください。