MIL-DTL-38999用フランジガスケット
MIL-DTL-38999シリーズ I, II, III用の
標準フランジガスケットです。
特長
- 材料: シリコーンゴム
- 色: 黒色
- 防水性: IP67 (フロントマウント専用)
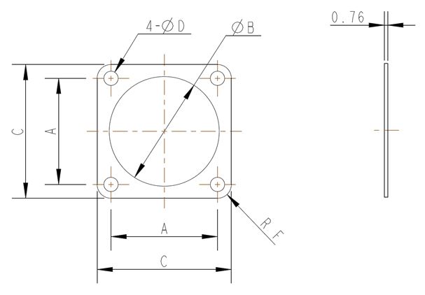
| 品番 | シェルサイズ | A ±0.15 |
B 直径 ±0.2 |
C ±0.3 |
D 直径 ±0.2 |
F 半径 ±0.5 |
|||
|---|---|---|---|---|---|---|---|---|---|
| MIL-DTL-38999 | |||||||||
| シリーズ II | シリーズ I / III | ||||||||
| 10-931422-101 | 10 | 9 | 18.3 | 17.5 | 23.8 | 3.2 | 2 | ||
| 10-931422-121 | 12 | 11 | 20.6 | 19.6 | 26.2 | 3.2 | 2 | ||
| 10-931422-141 | 14 | 13 | 23.0 | 23.8 | 28.6 | 3.2 | 2 | ||
| 10-931422-161 | 16 | 15 | 24.6 | 27.0 | 31.8 | 3.2 | 3 | ||
| 10-931422-181 | 18 | 17 | 27.0 | 30.2 | 34.1 | 3.2 | 3 | ||
| 10-931422-201 | 20 | 19 | 29.4 | 33.3 | 37.3 | 3.2 | 3 | ||
| 10-931422-221 | 22 | 21 | 31.8 | 36.5 | 39.7 | 3.2 | 3 | ||
| 10-931422-241 | 24 | 23 | 34.9 | 39.7 | 43.3 | 3.9 | 3 | ||
| 10-931422-261 | - | 25 | 38.1 | 40.6 | 46.0 | 3.9 | 3 | ||