RT シリーズ(フランジ取付レセプタクル / ジャムナットレセプタクル)パネルカット

フランジ取付レセプタクル RT00, RT0W0

10サイズ

12サイズ

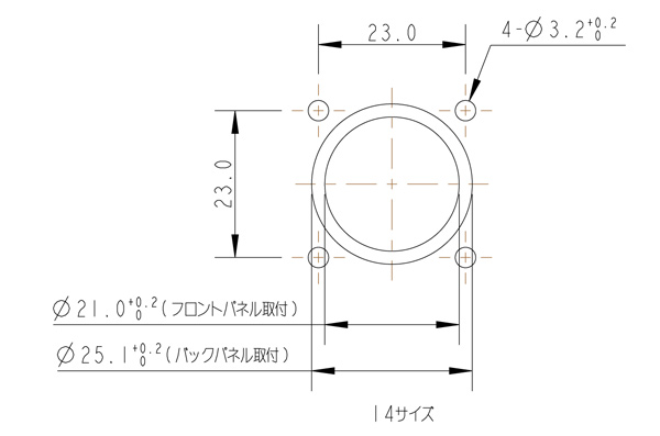
14サイズ

16サイズ

18サイズ

20サイズ

24サイズ

ジャムナットレセプタクル RT07, RT0W7

10サイズ

12サイズ

14サイズ

16サイズ

18サイズ

20サイズ